205d.com > 205 Diesel et turbo-Diesel > La technique > Les freins


Les freins
  1. Caractéristiques

Avant

Disques

Diamètre : 247mm

Epaisseur : 10mm

... mini : 8mm (1mm/face)

Voile max : 0,07mm

Plaquettes

Dimensions :

Bendix : 92x44

Girling : 87x42

Arrière

Tambours

Diamètre : 180mm

... max : 181mm

Garnitures

Largeur : 30mm

Epaisseur : 5mm

... mini : 1mm

2. Usure des plaquettes

L'usure des plaquettes est indiquée par la disparition de la rainure qu'elles comportent. Il y a bien un deuxième système (un indicateur électrique) qui est sensé allumer le témoin d'usure au tableau de bord. C'est supposé fonctionner, mais malgré sa simplicité cela n'est pas toujours vrai. Mieux vaut contrôler visuellement l'usure des plaquettes.

Curieux ? Bon, alors pour ceux qui ne le savent pas, je vais vous indiquer le principe du témoin d'usure : un conducteur est noyé dans la plaquette, et lorsque ce conducteur touche le disque de frein, il est (fatalement) mis à la masse, ce qui ferme le circuit (mais si, rappelez vous les cours de physique sur l'électricité, il faut que le circuit soit fermé) et allume le témoin d'usure au tableau de bord (qui n'est pas celui du frein à main, mais en bas à gauche de la jauge à carburant). Malheureusement, cela ne fonctionne pas toujours...

3. Pompe à vide :

A piston, entraînée par courroie (Kleber Venuflex 2AV10LP 530/540 LA). Elle est fabriquée par Pierburg et porte le doux nom de PE 205.20.

A noter que dès janvier 90, la pompe à vide est remplacée par un modèle à palettes entraînée directement par l'arbre à cames. Personnellement, je trouve ce système plus fiable étant donné l'absence de courroie. Note importante : les modèles équipés de DA ont toujours l'ancien montage (pompe à piston), sauf les Génération, qui sont équipées d'une pompe de DA électrique et d'une pompe à vide entraînée par l'arbre à cames.

4. Quelques vues éclatées :

(Et puis ça fait toujours plaisir)

4.1 Freins avant :

Freins avant

A-DBA, B - Girling.

  1. Disque
  2. Plaquettes
  3. Etrier
  4. Clavette de retenue
  5. Epingle d'arrêt
  6. Tige de coulissement
  7. Joint d'étanchéité du piston
  8. Pare - poussière
  9. Déflecteur
  10. Ressort de sûreté
  11. Axe de maintien

 

4.2 Freins arrière :

Freins arrière

A - DBA, B - Girling

  1. Plateau
  2. Tambour
  3. Segments
  4. Cylindre de roue
  5. Leviers
  6. Mécanisme de maintien
  7. Ressorts
  8. Biellette

4.3 Maître - cylindre et servo - frein :

Maître - cylindre et servo - frein

  1. Maître - cylindre
  2. Bocal
  3. Joint de servo - frein
  4. Servo - frein
  5. Tube de dépression
  6. Clapet anti - retour

4.4 Pompe à vide :

Pompe à vide

  1. Courroie
  2. Pompe

4.5 Frein à main :

Frein à main

  1. Levier
  2. Contacteur
  3. Câble

Sans transition, le réglage du frein à main :

  • Retirer l'habillage du levier de frein à main,
  • Serrer ou desserrer (suivant le cas) l'écrou situé au centre du palonnier.
  • (remettre l'habillage du levier) :-)

5. Information importante :

Horreur, vos joints de maître - cylindre sont morts et le liquide coule un peu partout. Pas de panique ! Au cas où vous ne pourriez vous procurer les joints correspondants aux montages Bendix, les joints pour montages Teves peuvent s'adapter, à condition de les recouper proprement.

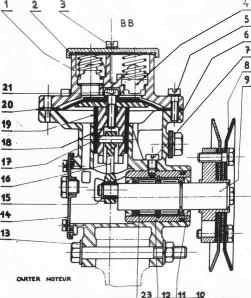
6. Spécial pompe à vide :

J'ai quelques documents supplémentaires au sujet de la pompe à vide (ancien montage), vous allez pouvoir en profiter :-)

Pompe à vide

A1 : conduite de pression atmosphérique

A2 : conduite de dépression (raccorder au servo-frein)

  1. Boîte à clapets
  2. Couvercle
  3. Vis
  4. Clapet
  5. Vis
  6. Corps
  7. Vis à têton
  8. Poulie
  9. Vilebrequin
  10. Vis
  11. Joint
  12. Boîtier de guidage
  13. Boulon
  14. Couvercle
  15. Circlips
  16. Bielle
  17. Axe
  18. Piston
  19. Fourreau
  20. Membrane
  21. Vis (BTR (= 6 pans creuse))
  22. Tendeur
  23. Roulement à aiguilles


[Retour en haut de page]

 

 

2. Usure des plaquettes :


[Retour en haut de page]