205d.com > 205 Diesel et turbo-Diesel > La technique > Le moteur


Le moteur

Et voilà ce qui va nous occuper pendant ce chapitre. Il s'agit d'un modèle '93. Il vous plaît ?

Là, on va s'attaquer au réglage et au diagnostic de ce qui est l'âme de la 205 Diesel : le moteur. La description technique étant déjà effectuée dans la première page "technique", il est inutile d’y revenir. Néanmoins, sachez que l’alésage des pistons du moteur XUD7 présente 3mm de moins par rapport au XUD9 dont il est dérivé.

Et comme il faut bien commencer par quelque chose...

1. Contrôle / réglage du jeu aux soupapes

(parce que je l’ai décidé et parce que c’est comme ça :-) )

D’abord, rappelons nous d’une chose :

 

Jeu (à froid)

Tolérance

Admission

0,15 mm

+/- 0,08 mm

Échappement

0,30 mm


1.1 Contrôle

Déposer le couvre culasse (ou cache culbuteurs, question de vocabulaire), et tourner l’arbre à cames par la vis de poulie (c’est un conseil, si vous voulez peiner inutilement, libre à vous)

Rappelons que le cylindre n°4 est celui qui contient l’orifice de contrôle. Le n°1 est donc, logiquement, celui situé côté boîte de vitesses. Le contrôle s’effectue en deux phases.

Mise en bascule des soupapes cyl.
4
1
Contrôler le jeux aux soupapes cyl.
1 admission
4 admission
1 échappement
4 échappement
2 admission
3 admission
3 échappement
2 échappement
1.2 Réglage

Exemple de réglage

Réglage

Admission

Echappement

Jeu suivant préconisations constructeur (mm)

0,3

0,15

Jeu mesuré

0,2

0,25

Différence

-0,1

+0,1

Grain existant

2,725

2,425

Grain à monter

2,65

2,5

Jeu obtenu

0,275

0,15

2.Purge du circuit d’admission

2.1 Bosch2.1.1 Purge d’eau

Votre témoin " présence eau dans gasoil " s’est allumé ? Pas de panique ! Des fois, il n’y a rien, et je considère donc ce témoin comme plus décoratif qu’utile. Néanmoins, si vous voulez opérer :

Représentée à 30% de sa taille réelle, vous pouvez zoomer !

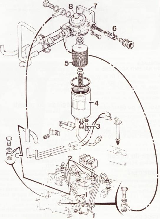
Filtre – réchauffeur (Purflux, pompes Bosch)

  1. Purge d’air
  2. Bouton de pompe manuelle
  3. Vis de purge d’eau
2.1.2 Purge d’air

Personnellement, je n’ai jamais vu qu’on faisait l’un sans l’autre, alors…

2.1.3 Réglage du ralenti

  1. Tuyau d’injection
  2. Durits de retour
  3. Purge d’eau
  4. Cuve
  5. Cartouche filtrante
  6. Élément thermostatique
  7. Tête de filtre

Représentée à 30% de sa taille réelle, vous pouvez zoomer !

Pompe Bosch premier modèle :

  1. Vis de butée de ralenti
  2. Levier d’accélération
  3. Butée de gaine de ralenti
  4. Serre – câble
  5. Contre – écrou de ralenti accéléré.

Représentée à 30% de sa taille réelle, vous pouvez zoomer !

Pompe Bosch second modèle :

  1. Vis de butée de ralenti
  2. Vis de butée de ralenti accéléré
  3. Plaque porte – fusée de gaine ralenti accéléré
  4. Cale de réglage (ép. 1mm)
  5. Vis de réglage de débit résiduel
  6. Levier d’accélération
  7. Levier de ralenti : x = 6mm (condition préalable au réglage)

            Pour régler le ralenti, le moteur doit être chaud, et le ralenti accéléré désactivé. Pour ce faire, roulez sur 8 ou 10 km à allure raisonnable, cela devrait convenir.

o       Agir sur la vis de butée (1) du levier d’accélération pour obtenir un régime de 850 +/- 50tr/min, et resserrer le contre – écrou.

2.1.4 Réglage du ralenti accéléré

o      Pousser le levier 7 en position ralenti accéléré et agir sur la butée 2 pour obtenir un régime de 950 +/- 50 tr / min.

2.2 Roto – Diesel (ou Lucas)
2.2.1 Purge d’eau

Représentée à 30% de sa taille réelle, vous pouvez zoomer !

Pompe et filtre réchauffeur Roto – Diesel

  1. Tuyau d’injection
  2. Durits de retour
  3. Réchauffeur
  4. Purge d’eau
  5. Contacteur (capteur) d’eau dans gasoil
  6. Élément thermostatique
  7. Cartouche filtrante
  8. Pompe manuelle

·         Insérer le raccord 4 et la vis de purge d’eau 3.

·         Laisser l’eau s’évacuer complètement puis resserrer les vis.

2.2.2 Purge d’air

o        Desserrer la vis 1 et actionner le bouton de purge jusqu’à la sortie du gasoil sans air par la vis 1. A noter que le bouton est (avantageusement) remplacé par une poire en novembre 1992 (numéro de série 24 952 421).

2.2.3 Réglage du ralenti

Représentée à 30% de sa taille réelle, vous pouvez zoomer !

Réglage du ralenti
(Roto–Diesel)

1.      Levier d’arrêt (stop)
2.      Levier de ralenti
3.      Vis de butée anticalage
4.      Levier d’accélération
5.      Contre – écrou de vis anticalage
6.      Vis de ralenti
7.      Contre – écrou de la vis de ralenti

3. Distribution

3.1 Rappels
3.2 Dépose de la courroie de distribution

Avertissements :

  • Ne tentez pas d’effectuer un changement de distribution si vous ne vous en sentez pas capable ! Il y a beaucoup d’Agents et de Concessionnaires capables de cela !
  • Ne tournez jamais le moteur par l’arbre à cames ou au démarreur courroie déposée !

Si vous suivez tout ça bien dans l’ordre, théoriquement il n’y aura pas de problème. Néanmoins, je rappelle que je dégage toute responsabilité en cas de problème.

Représentée à 30% de sa taille réelle, vous pouvez zoomer !

Pige de vilebrequin en place dans le bloc.

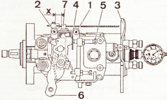
Représentée à 30% de sa taille réelle, vous pouvez zoomer !

Vis de pigeage en position sur le haut moteur :

1.     Arbre à cames

2.     et 3. Pompe

Notez que ceux qui n’ont qu’à régler le jeu aux soupapes pourront s’arrêter là. Pour les autres, on continue.

3.3 Repose de la courroie de distribution
Maintenant, on attaque les opérations de contrôle, ne les négligez pas !

4. A propos de la culasse :

En cas de rupture du joint de culasse :


[Retour en haut de page]